根据开源证券研究所的统计结果,一个数据中心的能耗分布中,散热系统的占比高达40%。也就是说,数据中心每耗费一度电,只有一半用在了“计算”上,其他的则浪费在了散热、照明等方面。计算和散热几乎陷入了一场零和博弈,计算量越大散热消耗的电量越大,如果不消耗足够的能源提高散热能力,将直接影响数据中心的性能、密度和可靠性。
一个数据中心,以6000个机柜算,一年要消耗约6亿度电。而一些互联网巨头在一个城市布设了3个数据中心,一年就将消耗18亿度电。而且数据中心一旦启动就不能停止。
2020年,全国数据中心共耗电2045亿千瓦时,占全社会用电量的2.7%。总能耗突破了2千亿千瓦时。相当于燃烧了6千万吨煤,排放了1.6亿吨的二氧化碳的发电量。
预计到2025年,这个值将达到3952亿千瓦时,占比将提升至4.05%。到2035年,数据中心的碳排放将比2020年增长103%。
当前中国的电力结构仍以燃煤发电为主,在数据中心供电结构中,火电占比超过70%,会产生大量的温室气体及其他污染物。
数据中心电力成本,占其运营成本的56.7%。如果不能控制电费,也将对数据中心的经济效益造成不利影响。
当前我国数据中心利用率不足60%,平均PUE1.5,可再生能源利用率30%,产业高质量发展还有很长的路要走。
近年来,随着数据中心的迅猛发展,数据中心的能耗问题也越来越突出,有关数据中心的能源管理和供配电设计已经成为热门问题,合理可靠的数据中心配电系统方案,是提高数据中心电能使用效率,降低设备能耗的合理方式。结合相关技术规范分析某数据中心新旧配电方案的利弊,为新型模块化机房的设计提供参考。
伴随科技的发展,数据中心的数量、规模、功率密度不断增加,建设等级不断提高,而配电系统作为数据中心重中之重的环节,断电或低质量的供电都可能造成服务器宕机从而造成损失。如何优化设计提高数据中心供电的安全可靠性,以确保电子信息系统不间断稳定运行,成为数据中心设计者面临的重要课题。对比传统供配电方案,是否有安全经济、运行更稳定的供电方案是设计者在意的问题。
某数据中心总建筑面积为1906.24㎡,其中数据中心总建筑面积为210.6㎡,包括1F数据机房、1F通信机房。功能区域包括主机房(机房、通信机房)、管理区(办公室、互联网设备间等)和辅助用房。
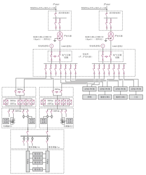
10kV高压电源分别由2路不同变电站市电引来,高压和低压不联络,第三电源由动力中心柴油发电机引来,主备用电源和发电机电源在变压器出线处切换,保证数据中心用电设备可靠用电。考虑单台发电机容量远远小于2500kW,且发电机台数也未达到10台以上,故选用0.4kV低压发电机组。0.4kV发电机组中性点应采用直接接地方式,且发电机星形点之间连接的导体应保证绝缘。数据中心共设2套400kVAUPS系统,组成2N容错型系统。双回路、双输出柜可为数据中心电子信息设备、工位插座供电。UPS系统的蓄电池可为全部①级负荷提供15min的持续供电。数据中心的服务器单机负荷按照3kW考虑,大负荷不超过4kW。为避免数据中心UPS在电源切换过程中故障影响重要负荷的正常工作,市电与柴油发电机的切换开关ATS应采用PC级且中性线重叠切换的四级开关。

随着技术创新,绿色节能理念的倡导,国际TGG组织提出了数据中心电力使用效率的衡量指标PUE。PUE是数据中心消耗的所有能源与IT负载使用的能源之比,是DCIE的反比。PUE=数据中心所有设备能耗/IT设备能耗,PUE是一个比值,基准是2,越接近1表明能效水平越好,代表一个数据中心的绿色化程度越高。
通过大量数据分析得出高压直流(High-voltagedirectcurrent,HVDC)供配电系统、交直流一体供配电系统、UPS+HVDC的工作效率较高,能提高数据中心节能指标。

UPS供电系统的输出为工频,滤波损耗较大,HVDC为高频滤波且占地面积更小。UPS的电池在输入端,如果UPS本身发生故障,负载依然会发生停电;而HVDC的电池在输出端,即使HVDC本身发生故障,电池仍然可以给负载供电,保障不间断供电。UPS系统供电系统要比HVDC供电系统中间环节多,HVDC蓄电池直接和母线相连,省去了逆变环节,而每多级中间环节就会导致变换效率降低,从而导致能耗增加。
安科瑞公司AMC16Z系列直流配电监控装置是专门针对于数据中心服务器电源管理设计的测量装置。该装置设计小巧,能够对A+B两路进线路出线的全电参量参数、输入输出开关及防雷器状态等实时监测,所有测量通道的告警阈值均可单独设定,出线越限事件立即触发系统声光告警,并且可以搭配绝缘检测模块,可以检测直流系统母线及支路的绝缘状态进行在线实时的监测与管理,在传统仪表的体积上实现了监控回路的高度集成。
安科瑞长期对数据中心行业进行全方面的内外部环境分析,对国家政策、行业未来发展趋势进行行业热点分析,预测未来的行业发展方向,同时完善自身行业的各种应用解决方案,分析不同客户需求,满足不同客户的应用需求。
*博客内容为网友个人发布,仅代表博主个人观点,如有侵权请联系工作人员删除。